- デジタル指示計
| 製品名 | デジタルプリンタ EP-3030 |
|---|---|
| 特徴 | 印字機能、累計機能 |
| 印字方式 | ドットインパクト方式 |
| サイズ | 192mm×96mm |
| 電源電圧 | AC100V |
ロードセルなど計量計測の総合メーカー 東洋測器株式会社 用途に合わせてオーダーメイドの製品を1点から製作
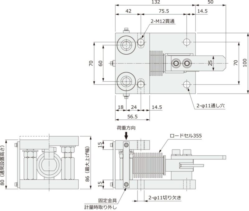
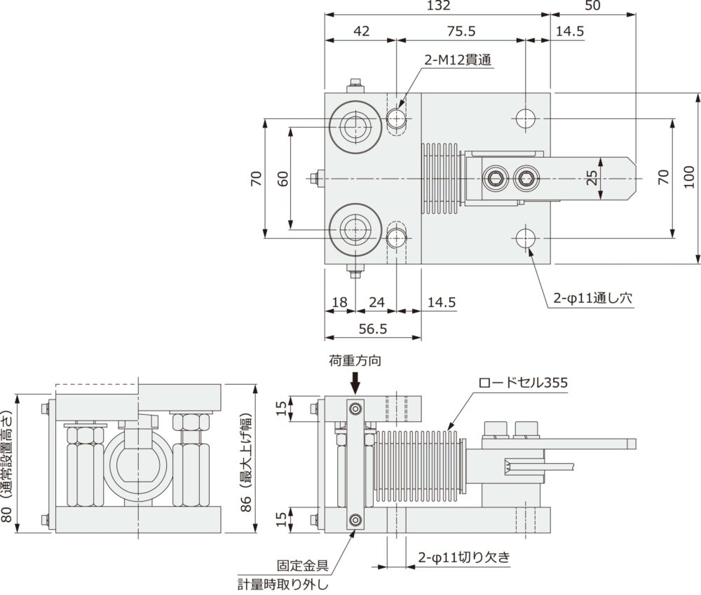
※3Dモデルはイメージです
スクロールできます→
| 項目 | 完全密閉シェアビームロードセル 355 |
|---|---|
| 5kgf~500kgf | |
| 定格出力 (R.O.) | 2.0mV/V |
| 定格出力誤差 | ±0.1% |
| 零バランス | ±2%R.O. |
| 30分後の零点回復 | ±0.017%LOAD |
| 総合精度 | ±0.02%R.O. |
| 零点の温度影響 | ±0.0014%R.O./℃ |
| 出力の温度影響 | ±0.001%LOAD/℃ |
| 温度補償範囲 | -10℃~+40℃ |
| 許容温度範囲 | -20℃~+70℃ |
| 許容過負荷 | 150%R.C. |
| 限界過負荷 | 300%R.C. |
| 推奨印加電圧 | 10V |
| 許容印加電圧 | 15V |
| 入力端子間抵抗 | 380Ω±10Ω |
| 出力端子間抵抗 | 355Ω±5Ω |
| 絶縁抵抗 | 2000MΩ(B/E DC50V)以上 |
| ケーブルタイプ | φ5.6、6芯シールドケーブル 先端柳線 AWG26 |
| ケーブル長 | 3m |
| 本体材質 | ステンレス |
| 保護構造 | IP68 |
| 推奨締付けトルク | 22N・m |
| 本体質量 | 約350g |
| 定格たわみ量 | 0.4mm以下 |
スクロールできます→
| 印加電圧+ EXC+ | 青 |
|---|---|
| 印加電圧- EXC- | 黒 |
| 出力信号+ SIG+ | 白 |
| 出力信号- SIG- | 赤 |
| リモートセンシング+ SEN+ | 緑 |
| リモートセンシング- SEN- | 灰 |
| シールド Shield | シールド |