- デジタル指示計
| 製品名 | デジタルプリンタ EP-3030 |
|---|---|
| 特徴 | 印字機能、累計機能 |
| 印字方式 | ドットインパクト方式 |
| サイズ | 192mm×96mm |
| 電源電圧 | AC100V |
ロードセルなど計量計測の総合メーカー 東洋測器株式会社 用途に合わせてオーダーメイドの製品を1点から製作
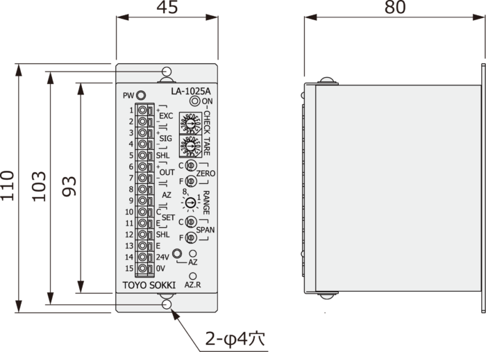
| 特長 | 小型、アナログオートゼロ機能付き |
|---|---|
| アナログ出力 | 4~20mA、0~±5V出力選択 |
| サイズ | 外形:110mm×45mm 高さ:80mm |
| オプション | アナログ出力、センサ印加電圧、 フィルタ選択可能 |
スクロールできます→
| 印加電圧 | DC10V±5% 出荷時指定により5Vまたは2.5Vに変更可能 |
|---|---|
| 接続可能センサ数 | 350Ω型ロードセル4点を接続可能(120mA max) (EXC 5Vは60mA以内、EXC 2.5Vは30mA以内) |
スクロールできます→
| 入力範囲 | ±3.3mV/V(風袋量と計測重量の合計) |
|---|---|
| 初期風袋消去 | 0~2.25mV/V(16ポジションロータリースイッチにより約0.15mV/Vステップで設定可能) |
| ゼロ点調整 | 多回転トリマ調整(粗調+微調:各15回転)約±0.15mV/V |
| オートゼロ範囲 | ±2.0Vまたは0~10.4mA 風袋消去調整後の出力が上記範囲の時、アナログオートゼロ(AZ)機能により、出力を0Vまたは4mAに補正可能。 本体【AZ】キースイッチ操作または外部【AZ】接点指令によりAZセット動作を行う。 本体【AZ.R】キースイッチ操作によりオートゼロリセットとなる。 |
| 感度調整 | 増幅度可変範囲:×1667~×151(EXC=5Vはこの数値の2倍、EXC=2.5Vの場合は4倍) スパン量0.3~3.3mV/Vの範囲で0~5Vまたは4~20mAに設定が可能。(0.6mV/V以上であれば0~10V設定が可能) 基準感度:EXC=10V、0~1.0mV/Vにて0~5Vまたは4~20mA出力、Gain=500倍 RANGE :8段階(ロータリースイッチ切替) SPAN :COARSE 粗調整(15回転トリマ調整) FINE:微調整(15回転トリマ調整) |
| 出力信号 | 1:電流出力:4~20mA(負荷抵抗510Ω以下) 2:電圧出力:0~±5V 両極性出力(負荷抵抗2kΩ以上)。±0.6mV/V以上のスパン量では0~±10V出力が可能。 |
| 非直線性 | ±0.05%F.S.(EXC=2.5V時±0.1%FS) |
| フィルタ特性 | fc=約2Hz±20%(-3dB)標準仕様、-12dB/oct.ローパスフィルタ オプション指定によりfc=5、10、20、50、100、200、500、1kHzより選択可能。 |
| 温度係数 | 零点:±0.01%F.S./℃typ(基準感度において、EXC=5Vはこの数値の2倍、EXC=2.5Vは4倍) 感度:±0.01%F.S./℃typ(EXC=2.5V時±0.02%FS/℃typ) |
| チェック機能 | CHECKスイッチをONにすることにより疑似入力信号の発生が可能。その時の入力信号に加算される。 約0.15mV/Vステップにて約2.25mV/Vまで設定可能(温度係数:25ppm/℃max) |
| 外部指令入力 | 1bit(AZ)ワンショットメーク接点(パルス幅0.2s) |
| 制御用出力 | 1bit(SET)オープンコレクタ負論理出力(フォトカプラ絶縁、NPNトランジスタ) 信号出力時エミッタ~コレクタ間ON。定格:DC30V、30mA(抵抗負荷) コレクタ・リミッタ間飽和電圧:1.2V以下 |
スクロールできます→
| 電源安定度 | ±0.02%F.S.(電源電圧変動±10%以内において) |
|---|---|
| 電源電圧 | DC24V±10% |
| 消費電力 | 約0.5A typ.(起動時の突入電流対応のため供給電源は2倍以上の余裕が必要) |
| 使用温度・湿度範囲 | 0~+40℃、20~85%RH 結露なきこと |
| 保存温度・湿度範囲 | -20~+60℃、20~85%RH 結露なきこと |
| 質量 | 約0.4kg |
| 取付方法 | ウォールマウント方式 |