- デジタル指示計
| 製品名 | デジタルプリンタ EP-3030 |
|---|---|
| 特徴 | 印字機能、累計機能 |
| 印字方式 | ドットインパクト方式 |
| サイズ | 192mm×96mm |
| 電源電圧 | AC100V |
ロードセルなど計量計測の総合メーカー 東洋測器株式会社 用途に合わせてオーダーメイドの製品を1点から製作
※3Dモデルはイメージです
スクロールできます→
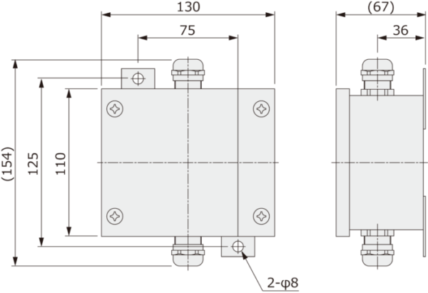
| 項目 | 接続箱 JB-A |
|---|---|
| 接続端子:5P M3 | |
| 構造 | 耐浸型【上カバーネオプレンスポンジパッキン】 |
| 本体材質 | ステンレス |
| 表面処理 | ヘアライン |
| 許容温度 | -10℃~+75℃ |
| 接続端子 | 5P M3 |
| 本体質量 | 約0.7kg |
| 適合ケーブル | ケーブルグランドM20×1.5【直径φ5~φ13mmケーブル対応】 |
スクロールできます→
| 印加電圧+ | 1 |
|---|---|
| 印加電圧- | 2 |
| 出力信号+ | 3 |
| 出力信号- | 4 |
| シールド | 5 |