- デジタル指示計
| 製品名 | デジタルプリンタ EP-3030 |
|---|---|
| 特徴 | 印字機能、累計機能 |
| 印字方式 | ドットインパクト方式 |
| サイズ | 192mm×96mm |
| 電源電圧 | AC100V |
ロードセルなど計量計測の総合メーカー 東洋測器株式会社 用途に合わせてオーダーメイドの製品を1点から製作
※3Dモデルはイメージです
スクロールできます→
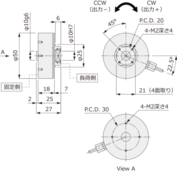
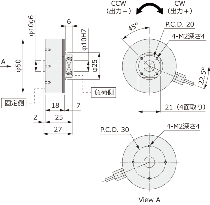
| 項目 | 非回転型微小トルクセンサ LTMM |
|---|---|
| 10N・cm、50N・cm | |
| 定格出力 (R.O.) | 0.5mV/V |
| 定格出力誤差 | ±10% |
| 零バランス | ±10%R.O. |
| 非直線性 | ±0.3%R.O. |
| ヒステリシス | ±0.3%R.O. |
| 繰り返し性 | ±0.2%R.O. |
| 零点の温度影響 | ±0.05%R.O./℃ |
| 出力の温度影響 | ±0.05%LOAD/℃ |
| 温度補償範囲 | -10℃~+40℃ |
| 許容温度範囲 | -20℃~+60℃ |
| 許容過負荷 | 300%R.C. |
| 推奨印加電圧 | 5V |
| 許容印加電圧 | 10V |
| 入力端子間抵抗 | 約700Ω |
| 出力端子間抵抗 | 約700Ω |
| 絶縁抵抗 | 1000MΩ(B/E DC50V)以上 |
| ケーブルタイプ | φ3、4芯シールドケーブル 先端柳線 |
| ケーブル長 | 3m |
| 本体材質 | アルミニウム |
| 本体質量 | 約80g |
スクロールできます→
| 印加電圧+ EXC+ | 赤 |
|---|---|
| 印加電圧- EXC- | 白 |
| 出力信号+ SIG+ | 緑 |
| 出力信号- SIG- | 黒 |
| シールド Shield | 黄 |