- デジタル指示計
| 製品名 | デジタルプリンタ EP-3030 |
|---|---|
| 特徴 | 印字機能、累計機能 |
| 印字方式 | ドットインパクト方式 |
| サイズ | 192mm×96mm |
| 電源電圧 | AC100V |
ロードセルなど計量計測の総合メーカー 東洋測器株式会社 用途に合わせてオーダーメイドの製品を1点から製作
| 精度 | ±0.05%R.O. |
|---|---|
| 定格容量 | 3tf~50tf |
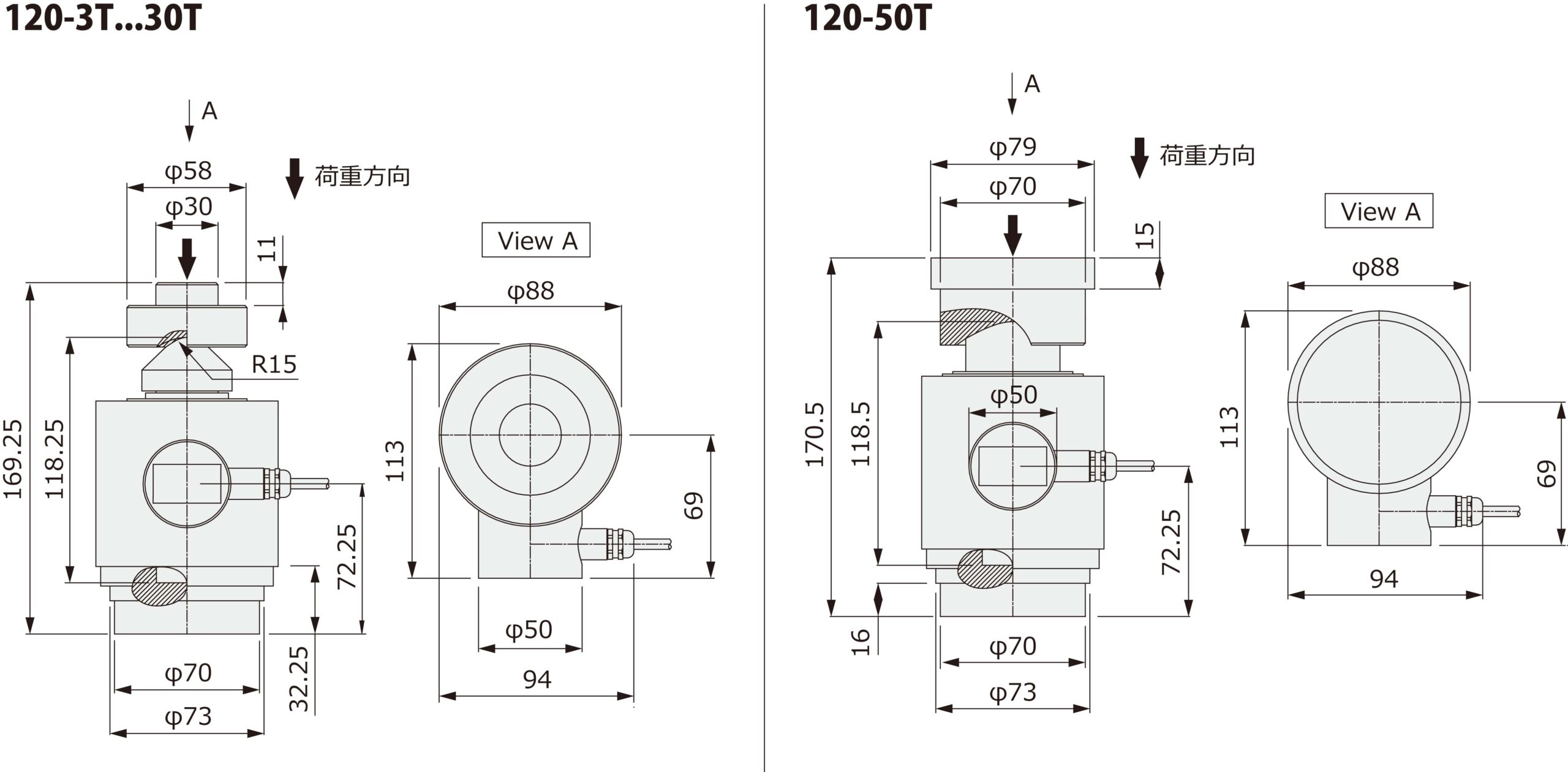
| サイズ | 外形:φ88 高さ:169.25~170.5mm |
| 材質 | ハウジング:ステンレス エレメント:特殊合金鋼 |
※3Dモデルはイメージです
スクロールできます→
| 項目 | 高精度圧縮ロードセル 120 |
|---|---|
| 3tf~50tf | |
| 定格出力 (R.O.) | 1.5mV/V |
| 定格出力誤差 | ±0.1% |
| 零バランス | ±10%R.O. |
| 30分後の零点回復 | ±0.05%LOAD |
| 総合精度 | ±0.05%R.O. |
| 零点の温度影響 | ±0.01%R.O./℃ |
| 出力の温度影響 | ±0.005%LOAD/℃ |
| 温度補償範囲 | -10℃~+40℃ |
| 許容温度範囲 | -30℃~+70℃ |
| 許容過負荷 | 150%R.C. |
| 限界過負荷 | 300%R.C. |
| 推奨印加電圧 | 10V |
| 許容印加電圧 | 15V |
| 入力端子間抵抗 | 670Ω±15Ω |
| 出力端子間抵抗 | 605Ω±5Ω |
| 絶縁抵抗 | 2000MΩ(B/E DC50V)以上 |
| ケーブルタイプ | φ5.6、6芯シールドケーブル 先端柳線 AWG26 |
| ケーブル長 | 15m |
| 本体材質 | ハウジング【ステンレス】
エレメント【特殊合金鋼】 |
| 保護構造 | IP68 |
| 本体質量 | 約4kg【3T~30T】
約6kg【50T】 |
| 定格たわみ量 | 0.3mm以下 |
スクロールできます→
| 印加電圧+ EXC+ | 緑 |
|---|---|
| 印加電圧- EXC- | 黒 |
| 出力信号+ SIG+ | 赤 |
| 出力信号- SIG- | 白 |
| リモートセンシング+ SEN+ | 青 |
| リモートセンシング- SEN- | 茶 |
| シールド Shield | シールド |