- デジタル指示計
| 製品名 | デジタルプリンタ EP-3030 |
|---|---|
| 特徴 | 印字機能、累計機能 |
| 印字方式 | ドットインパクト方式 |
| サイズ | 192mm×96mm |
| 電源電圧 | AC100V |
ロードセルなど計量計測の総合メーカー 東洋測器株式会社 用途に合わせてオーダーメイドの製品を1点から製作
| 精度 | ±0.3%R.O |
|---|---|
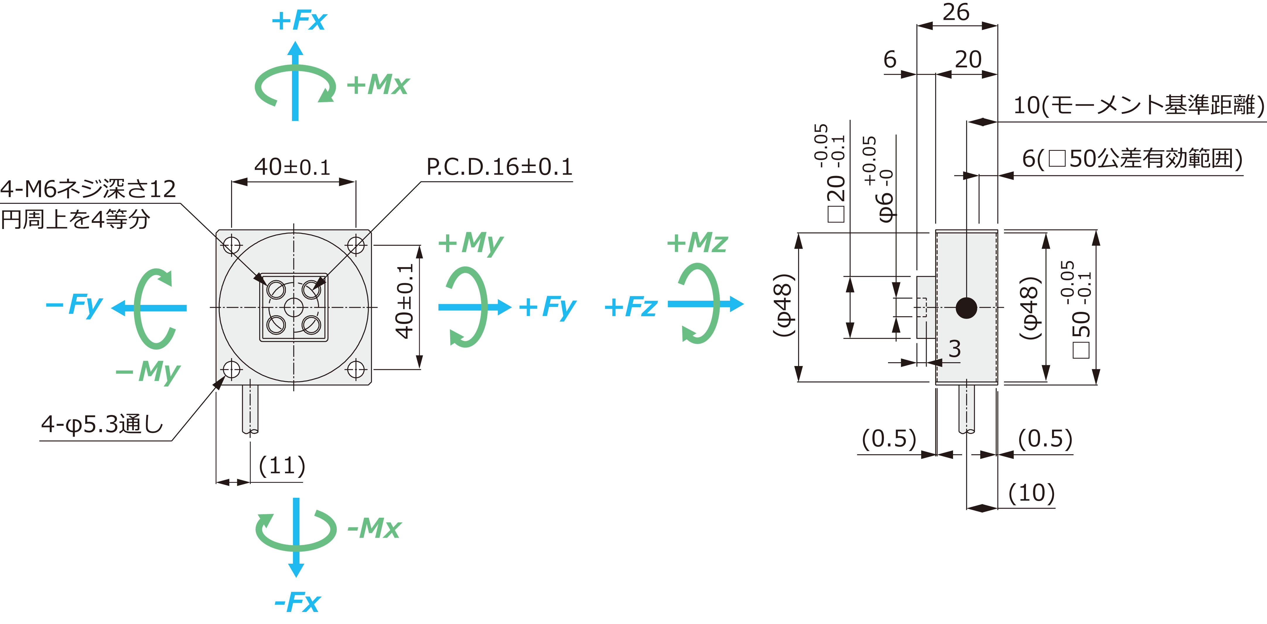
| 定格容量 | Fx、Fy:800N Fz:1.5kN Mx、My:100N・m Mz:60N・m |
| サイズ | 外形:50mm×50mm 高さ:26mm |
| 材質 | ステンレス |
※3Dモデルはイメージです
スクロールできます→
| 項目 | アンプ内蔵6分力計測マルチフォースセンサ 6D-800N-800N-1.5kN-TMI |
|---|---|
| Fx、Fy:800N Fz:1.5kN Mx、My:100N・m Mz:60N・m | |
| 定格出力 (R.O.) | 約0.5V~+4.5V(中点+2.5V) |
| 非直線性 | ±0.3%R.O. |
| ヒステリシス | ±0.3%R.O. |
| 干渉度※ | ±3%R.O. |
| 零点の温度影響 | ±0.05%R.O./℃ |
| 出力の温度影響 | ±0.05%LOAD/℃ |
| 入力電源電圧 | 8V~15V |
| 応答周波数 | 1.6kHz |
| 許容過負荷 | 100%R.C.(電圧出力が飽和するため) |
| 限界過負荷 | 150%R.C. |
| 温度補償範囲 | 0℃~+50℃(結露なきこと) |
| 許容温度範囲 | -10℃~60℃(結露なきこと) |
| 付属ケーブル | φ5、8芯シールド計測ケーブル 長さ2m 先端柳線 |
| 本体材質 | ステンレス |
| 本体質量 | 約280g |
※ 干渉度は干渉補正係数による補正後の値。
スクロールできます→
| 電源+ | 桃(赤線) |
|---|---|
| GND | 桃(黒線) |
| Fx | 黄(赤線) |
| Fy | 橙(赤線) |
| Fz | 白(赤線) |
| Mx | 黄(黒線) |
| My | 橙(黒線) |
| Mz | 白(黒線) |
| シールド |