- デジタル指示計
| 製品名 | デジタルプリンタ EP-3030 |
|---|---|
| 特徴 | 印字機能、累計機能 |
| 印字方式 | ドットインパクト方式 |
| サイズ | 192mm×96mm |
| 電源電圧 | AC100V |
ロードセルなど計量計測の総合メーカー 東洋測器株式会社 用途に合わせてオーダーメイドの製品を1点から製作
| 精度 | ±0.5%R.O |
|---|---|
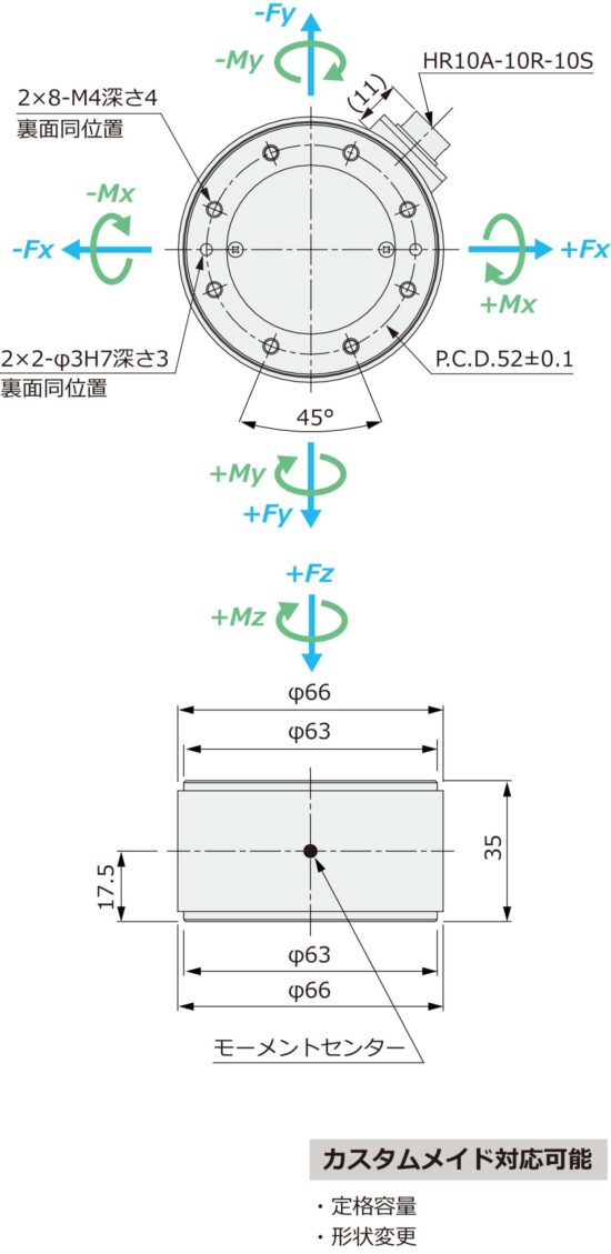
| 定格容量 | Fx、Fy、Fz:1kN Mx、My:40N・m Mz:25N・m |
| サイズ | 外径:φ66 高さ:35mm |
| 材質 | アルミニウム |
※3Dモデルはイメージです
スクロールできます→
| 項目 | アンプ内蔵6分力計測マルチフォースセンサ 6DG |
|---|---|
| Fx、Fy、Fz:1kN Mx、My:40N・m Mz:25N・m | |
| 定格出力 (R.O.) | 約0.5V~+4.5V(中点+2.5V) |
| 非直線性 | ±0.5%R.O. |
| ヒステリシス | ±0.5%R.O. |
| 干渉度 ※ | ±1.5%R.O. |
| 零点の温度影響 | ±0.05%R.O./℃ |
| 出力の温度影響 | ±0.05%LOAD/℃ |
| 入力電源電圧 | +8V~+15V |
| 応答周波数 | 1.6kHz |
| 温度補償範囲 | 0℃~+50℃ |
| 許容温度範囲 | -10℃~60℃ |
| 許容過負荷 | 100%R.C.(電圧出力が飽和するため) |
| 限界過負荷 | 150%R.C. |
| 固有振動数 | 約5.7kHz(モード3) |
| 接続方法 | 本体レセプタクル HR10A-10R-10S |
| 付属ケーブル | φ5、8芯シールド計測ケーブル 長さ2m
先端コネクタ HR10A-10P-10P 他端柳線 |
| 本体材質 | アルミニウム |
| 本体質量 | 約120g |
※ 干渉度は干渉補正係数による補正後の値。
スクロールできます→
| 電源+ | 1:桃(赤線) |
|---|---|
| GND | 2:桃(黒線) |
| Fx | 3:黄(赤線) |
| Fy | 4:橙(赤線) |
| Fz | 5:白(赤線) |
| Mx | 6:黄(黒線) |
| My | 7:橙(黒線) |
| Mz | 8:白(黒線) |
| シールド |